客戶服務熱線
13813676517
Home
About
Service
News
Product
Questions
Case
Contact
Recruit
FeedBack
地址:常州武進國家高新區(qū)龔前工業(yè)園1號
電話:0519-8899 1879
電話:0519-138136 7657 何經(jīng)理
郵件:apsjsj@126.com
網(wǎng)站:http://m.ddcar.com.cn
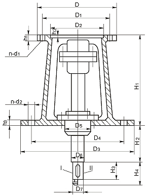
TJ型 減速機機架(配簡圖)
若您在減速機使用過程中有任何問題或疑惑敬請咨詢:江蘇減速機行業(yè)龍頭企業(yè)-常州艾普森減速機有限公司; 電話:0519-8899 1879;138136 76517 何先生; 我司將竭誠為您答疑解惑,為您提供減速機方面全方位技術指導與一條龍服務。
附:TJA型減速機機架外形及安裝尺寸圖
合肥婚紗攝影常州激光焊遼寧減速機廠家常州蓄電池江蘇冷卻塔常州琴行防爆工具南京智能鎖常州茗茶常州美甲美睫
Copyright1983 - 2018 江蘇艾普森減速機有限公司 版權所有 All Rights Reserved 備案號: 蘇ICP備11022968號
公司地址:江蘇省常州武進國家高新區(qū)龔前工業(yè)園1號
擺線針輪減速機 技術支持